Reverberation Enhancement Systems

Figure 1: This demonstration video of a reverberation enhancement system (RES) was shot in the acoustics lab Mozart1 at the Fraunhofer IIS, Erlangen, Germany.
Introduction
What is the best acoustics for a listening space? Is there such a thing as ‘best’ acoustics in the first place? Or is it that playing different kinds of music or giving a talk requires different acoustics? How about choir chants composed for large churches, those fast bebop jazz grooves born in cellar clubs, or electronic club beats?
Room acoustics plays a vital role in how we perceive speech and music. Architects and acousticians have designed both specifically and accidentally those rooms shaping music and speech presentation2. While for centuries room geometry and wall materials have been the main acoustic tools, since the 1980s, electro-acoustics techniques opened up new possibilities3. Such systems are now known as Reverberation Enhancement Systems (RESs). With a RES in place, the room acoustics can be adjusted flexibly to whatever might be the ‘best’ support of the specific performance.
Reverberation Enhancement System
The working principle of a RES is to create additional reverberation via controlled feedback between many microphones and loudspeakers in the same room. The RES can be thought of a mechanism to make the walls less absorptive and therefore the reverberation tail longer.
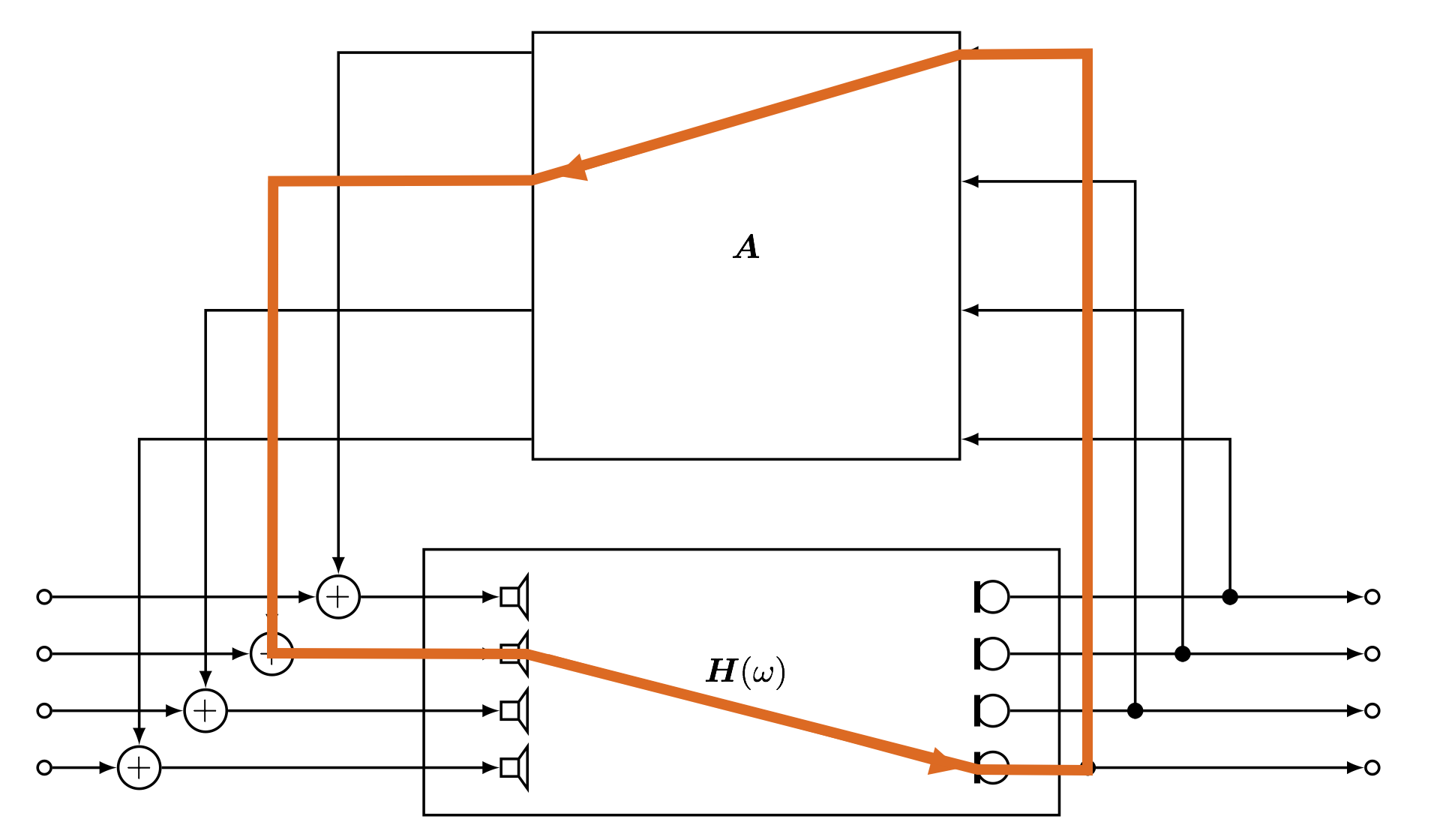
The well-educated sound engineer might however say: “Acoustic feedback, isn’t that terrible?” The next figure illustrates the problem.

Figure 2: A reverberation enhancement system (RES) with four microphones and four loudspeakers. The microphones are coupled to the loudspeaker via a feedback matrix $\mathbf{A}$. If the feedback gain is too high, a positive feedback loop (in orange) can destabilize the RES. This so-called Larsen effect often results in loud and unpleasent ringing tones.
More Stability: Time-Variation
Over the years, researchers devised many methods to avoid such instabilities. Among them, so-called time-varying systems. The general idea is to change the acoustic feedback continuously such that no harmful resonance can sustain too long. A slightly silly solution would be to swing around the microphones and loudspeakers in the room:
**Figure 3:** Improving feedback stability by moving microphones and loudspeakers.While this solution is effective, more practical methods implement time-variation processing in the digital feedback loop, to name a few of these methods: delay modulation4, allpass modulation5, and frequency shifting6 7. While all these methods process the feedback channels separately, we have developed a novel idea to make the mixing between the channels time-varying8 9.
**Figure 4:** Time-varying gains in the feedback matrix helps to improve the stability of the RES.What kind of matrix modulation is this? From the theory of feedback delay networks, we know those rotation matrices are an excellent choice for such a feedback matrix. Now, if we rotate a rotation matrix continuously over time, we get an ever-changing rotation matrix10 11. But as demonstrated in the video, this is just the beginning of all the acoustics we can create…
Silzle, A., Geyersberger, S., Brohasga, G., Weninger, D., & Leistner, M. (2009). Vision and Technique Behind the New Studios and Listening Rooms of the Fraunhofer IIS Audio Laboratory (pp. 1–15). Presented at the Proc. Audio Eng. Soc. Conv., Munich, Germany. ↩︎
Blesser, B. A., & Salter, L.-R. (2007). Spaces Speak, are You Listening? MIT Press (MA). ↩︎
Berkhout, A. J. (1988). A Holographic Approach to Acoustic Control. J. Audio Eng. Soc., 36(12), 977–995. ↩︎
Griesinger, D. (1991). Improving Room Acoustics Through Time-Variant Synthetic Reverberation (pp. 1–10). Presented at the Proc. Audio Eng. Soc. Conv., Paris, France. ↩︎
Lokki, T., & Hiipakka, J. (2001). A time-variant reverberation algorithm for reverberation enhancement systems (pp. 28–32). Presented at the Proc. Int. Conf. Digital Audio Effects (DAFx), Limerick, Ireland. ↩︎
Schroeder, M. R. (1964). Improvement of Acoustic-Feedback Stability by Frequency Shifting. J. Acoust. Soc. Amer., 36(9), 1718–1724. ↩︎
Poletti, M. A. (2004). The Stability Of Multichannel Sound Systems With Frequency Shifting. J. Acoust. Soc. Amer., 116(2), 853–871. ↩︎
Sebastian J Schlecht, Emanuël A P Habets. Time-varying feedback matrices in feedback delay networks and their application in artificial reverberation. J. Acoust. Soc. Amer., 2015. ↩︎
Schlecht, S. J., & Habets, E. A. P. (2015). Reverberation enhancement systems with time-varying mixing matrices (pp. 1–8). Presented at the Proc. Audio Eng. Soc. Conf., Montreal, Canada. ↩︎
Schlecht, S. J., & Habets, E. A. P. (2016). The stability of multichannel sound systems with time-varying mixing matrices. J. Acoust. Soc. Amer., 140(1), 601–609. ↩︎
Schlecht, S. J., & Habets, E. A. P. (2015). Practical considerations of time-varying feedback delay networks (pp. 1–9). Presented at the Proc. Audio Eng. Soc. Conv., Warsaw, Poland. ↩︎